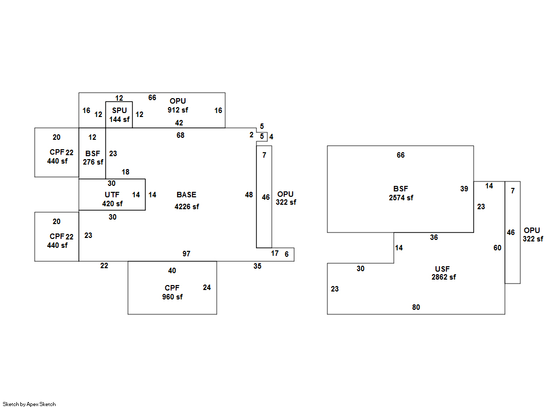
Seminole County Property Appraiser


2323 TUSKAWILLA RD OVIEDO, FL 32765
ASSET MANAGEMENT SERVICES OF AMERICA LLC
2026 Market $275,986 Assessed $275,986 Taxable $275,986
2025 Tax Bill $3,793.79

Copyright 2026 © Seminole County Property Appraiser | Privacy Statement | Accessibility/Terms of Use | Translate

Follow us on our socials